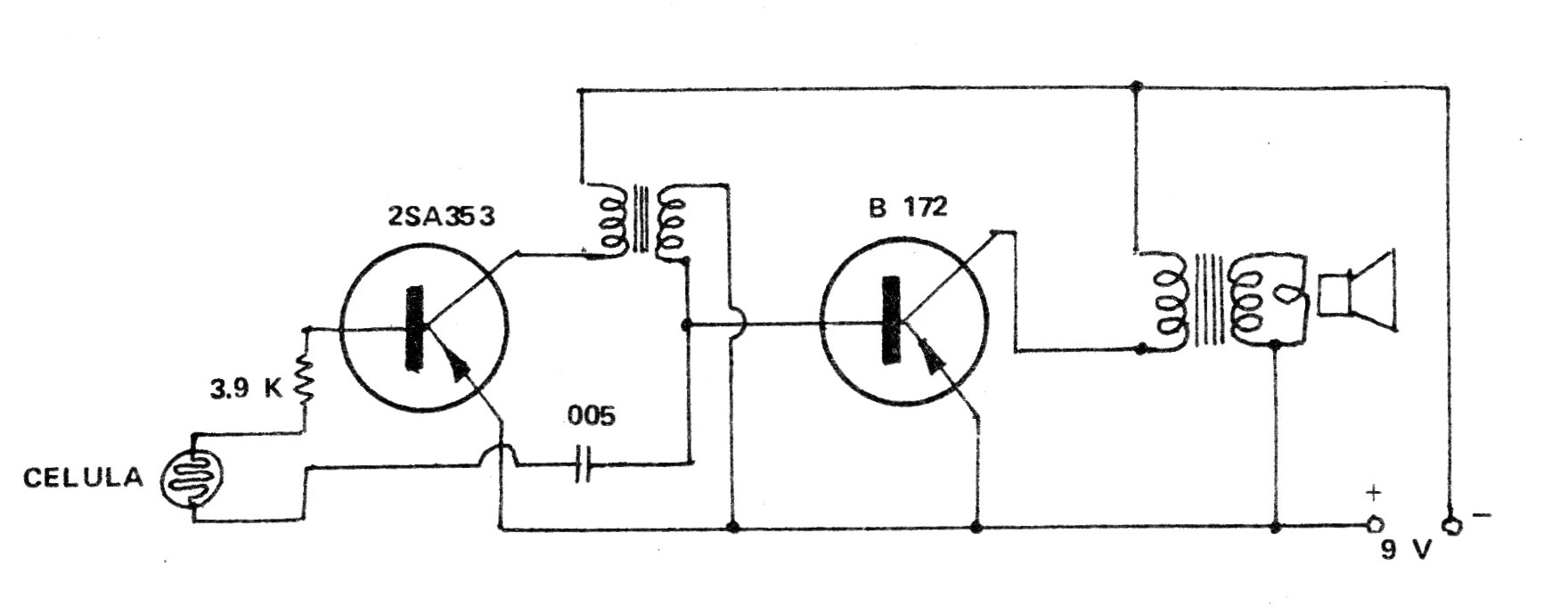
Los componentes críticos de esta alarma de una publicación de 1978, son los transformadores, ya que podemos usar transistores actuales como los BC558 en lugar de los originales. Los transformadores son del tipo driver y salida encontrados en radios transistorizados antiguos y amplificadores de pequeña potencia. El sensor es un LDR común y el sonido producido depende de la luz que incide en el sensor.




