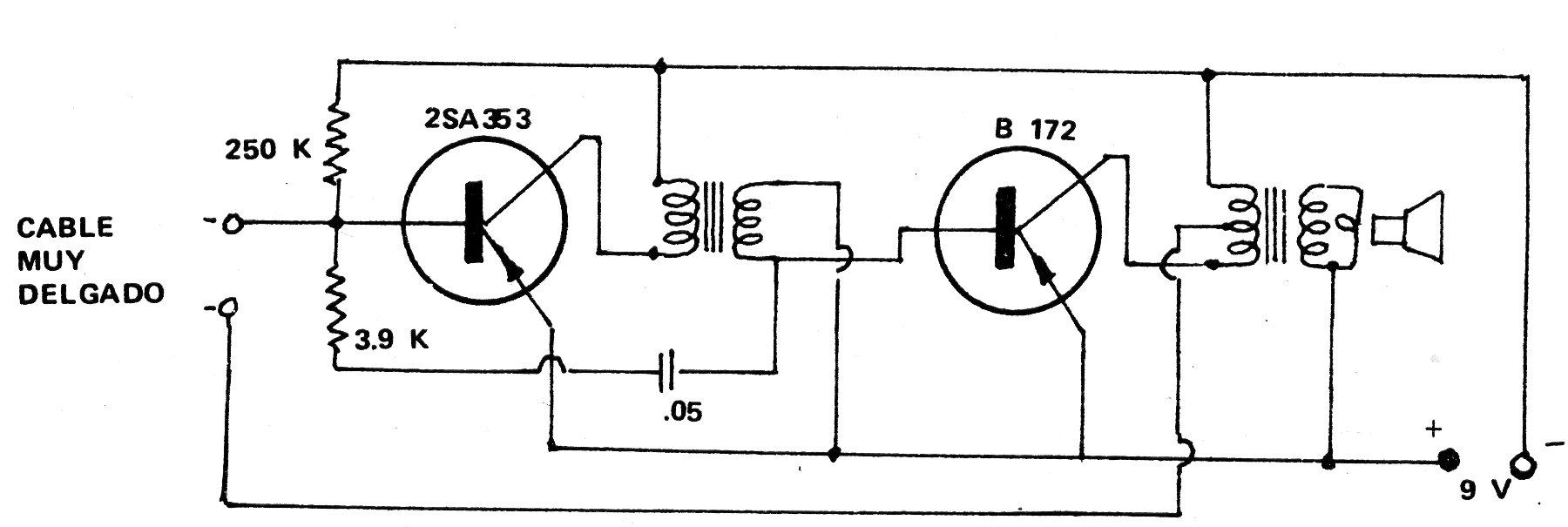
Los componentes críticos de este proyecto de una publicación de 1978 son los transformadores, que se pueden obtener de radios y amplificadores transistorizados de la época. Los transistores pueden ser tipos más modernos como los BC558. El sensor es un hilo fino que, al ser roto, hace que el oscilador entre en funcionamiento. El sentido de conexión del controlador es importante, pues determina las oscilaciones.




