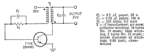
Encontramos este circuito en un manual de transistores de la RCA de 1964. El componente crítico es el transformador. El transistor puede ser un TIP31 o TIP41. La potencia de salida de este circuito es de 10 W.

Encontramos este circuito en un manual de transistores de la RCA de 1964. El componente crítico es el transformador. El transistor puede ser un TIP31 o TIP41. La potencia de salida de este circuito es de 10 W.
