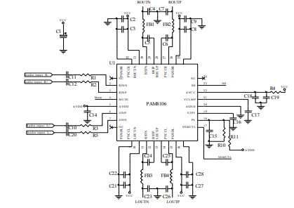
Este circuito de 10 W con el PAM8106 de Diodes Incorporated fue obtenido en 2018 en el datasheet del propio componente. Acceder el datasheet en https://br.mouser.com/datasheet/2/115/PAM8106-1323209.pdf. se pueden obtener los valores de los componentes e información adicional sobre el proyecto. El circuito funciona con tensiones de 4,6 a 15 V.




