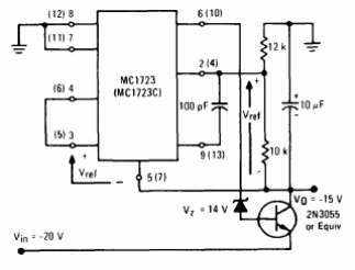
Este circuito con el 723 puede ser encontrado en todos los manuales de fabricantes del 723. Este circuito específicamente es del Linear Databook de Motorola de 1990.

Este circuito con el 723 puede ser encontrado en todos los manuales de fabricantes del 723. Este circuito específicamente es del Linear Databook de Motorola de 1990.
