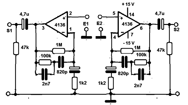
Este circuito hace la ecualización RIAA de las señales de ecualización obtenidos a partir de un tocadiscos para la recuperación en otros medios. A la entrada de este circuito nos conectamos un tocadiscos para discos de vinilo en recuperación y salida de las entradas de otros medios, tales como PC, MP3, etc. Se pueden utilizar dos amplificadores operacionales 741 o la versión doble de este componente como el MC4136 o MC1448 para una aplicación estéreo. El consumo es reducido, pero la fuente debe tener una excelente filtraje. El circuito es una adaptación de una Popular Electronics de1993, con las enmiendas que permite su montaje en la actualidad. Cables de entrada y salida de señal deben estar blindados.




