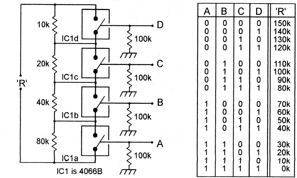
Este circuito consta de un potenciómetro digital, que se encuentra en una documentación inglesa reciente. Con él, usando un CMOS 4066 podemos controlar la resistencia presentada en pasos de 10k hasta 150k. Los resistores pueden ser alterados, a otra escala de resistencias. La tabla junto a la figura muestra las resistencias obtenidas en función de los comandos digitales.




