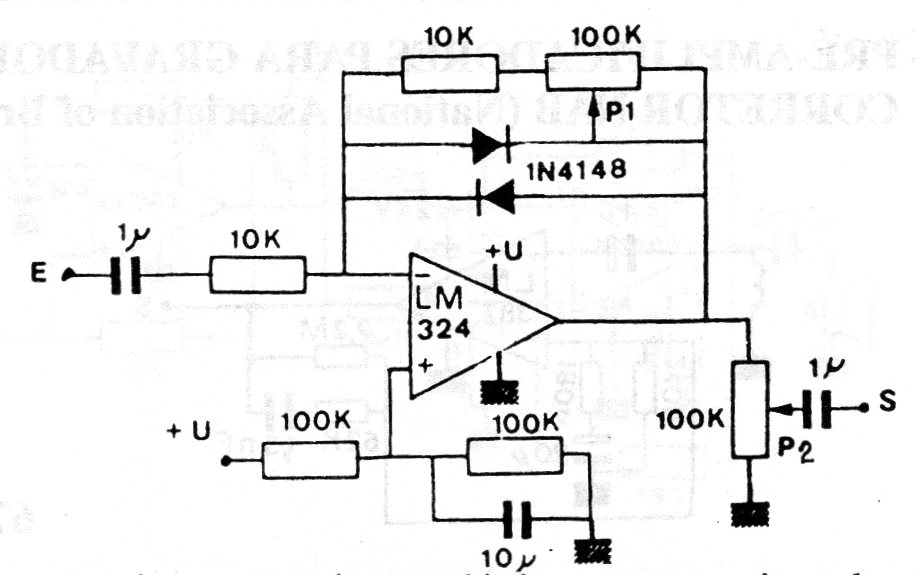
Este circuito está intercalado entre la guitarra y el amplificador. La fuente de 6 a 9 V es común y puede usarse una batería. El consumo es muy bajo y los cables de señal deben ser blindados.
El circuito que veremos a continuación utiliza un elemento de la familia de los semiconductores que aún no es...
Para mostrar las posibilidades que las placas de circuitos impresos universal ofrecen a los...
El circuito presentado en la figura 1 permite la comparación de niveles de luz basados en una escala...