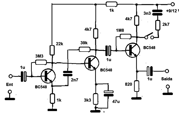
Este circuito puede ser intercalada entre las cabezas de lectura de los mecanismos de casete y la entrada de las medias de comunicación modernas, tales como grabadoras de CD, ordenadores y otros, para la transferencia de música. La fuente debe tener una excelente filtraje y el consumo es muy bajo. Incluso se puede utilizar batería para minimizar problemas de ronquidos. Los transistores pueden ser BC549 y los cables tanto de entrada como de salida y deben realizarse ser blindados. El circuito se adapta y modifica del original que se encuentra en una publicación británica de 1980. Debe montarse dos circuitos idénticos alimentados por la fuente común de señales de entrada para un sistema estereofónico.




