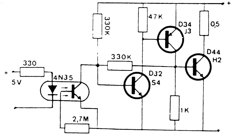
Este circuito se puede utilizar como shield aislado para microcontroladores. La alimentación depende del relé o de la carga utilizados. El transistor de potencia puede ser un BD135 para cargas hasta 500 mA, y los demás pueden ser el par formado por los BC548 y BC558. El circuito es de una documentación francesa.




