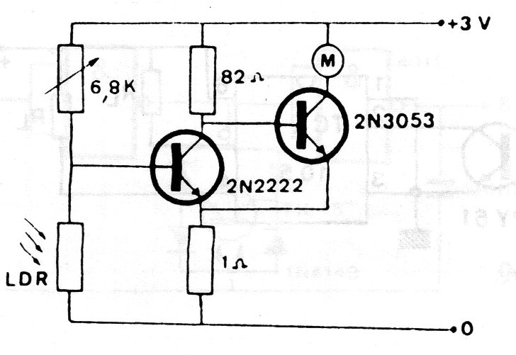
El ajuste de la sensibilidad de este circuito se realiza en el trimpot (que puede ser de 10k) y el transistor de potencia usado soporta corrientes hasta 1 A. Se puede utilizar el equivalente más moderno TIP31. La carga es de 3 V, pero el circuito puede ser usado con cargas hasta 6 V.




