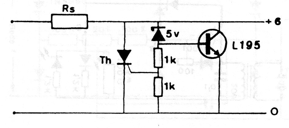
Este regulador pone en corto la salida quemando el fusible de entrada cuando la tensión supera el valor programado. El transistor debe ser de potencia de acuerdo con la carga y la resistencia Rs se calcula según la corriente de la carga.
El circuito que veremos a continuación utiliza un elemento de la familia de los semiconductores que aún no es...
Para mostrar las posibilidades que las placas de circuitos impresos universal ofrecen a los...
El circuito presentado en la figura 1 permite la comparación de niveles de luz basados en una escala...