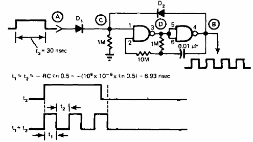
La finalidad de este interesante circuito encontrado en una documentación de 1977 es completar el último ciclo de un oscilador disparado. Los diagrama de tiempo para el circuito se muestran en la figura y los puertos dependen de la lógica utilizada.

La finalidad de este interesante circuito encontrado en una documentación de 1977 es completar el último ciclo de un oscilador disparado. Los diagrama de tiempo para el circuito se muestran en la figura y los puertos dependen de la lógica utilizada.
