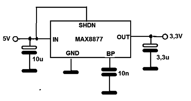
He encontrado este circuito en documentación de Maxim de 2003. Se trata de un amplificador con ecualización RIAA para ser utilizado en la recuperación de los discos de vinilo (MP3, CD, DVD, etc.). El circuito requiere una fuente de alimentación de 3,3 V solamente y su curva de respuesta apropiada ecualiza el contenido de los discos de vinilo. Como el consumo es muy bajo, puede ser alimentado directamente por la USB. Cables de entrada y señales de salida deben ser blindados. El circuito de casa con el nivel de señal de la mayoría de fonocaptores utilizados en tocadiscos antiguos. También podemos hacer que su suministro de una fuente externa, pero hay que tener una excelente filtración. El consumo de circuito es unas pocas decenas de miliamperios.




