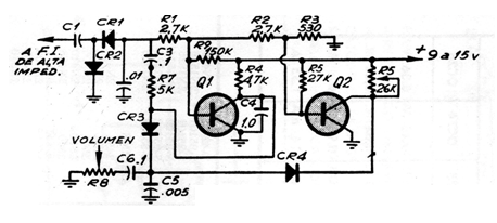
Este circuito se utiliza en receptores de comunicaciones con el fin de silenciar ruidos que ocurren en condiciones precarias de señal. El circuito se conecta al transformador de FI del receptor. En esta versión se utilizan transistores PNP de uso general, pero el circuito puede ser implementado con transistores más modernos y cambios en los resistores de polarización. Los diodos son de germanio de uso general.




