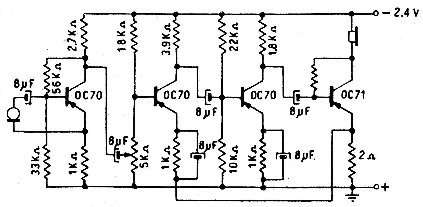
En realidad, el nombre correcto sería el amplificador para la ayuda auditiva. Sin embargo, usamos el nombre de la publicación original de 1973. Se trata de un amplificador para auriculares con un micrófono y operando con sólo 2,4 V de alimentación (dos pilas tipo botón). El circuito tiene una ganancia de 70 dB y el auricular debe ser magnético de alta impedancia del tipo auricular. El circuito original utiliza transistores de germanio.




