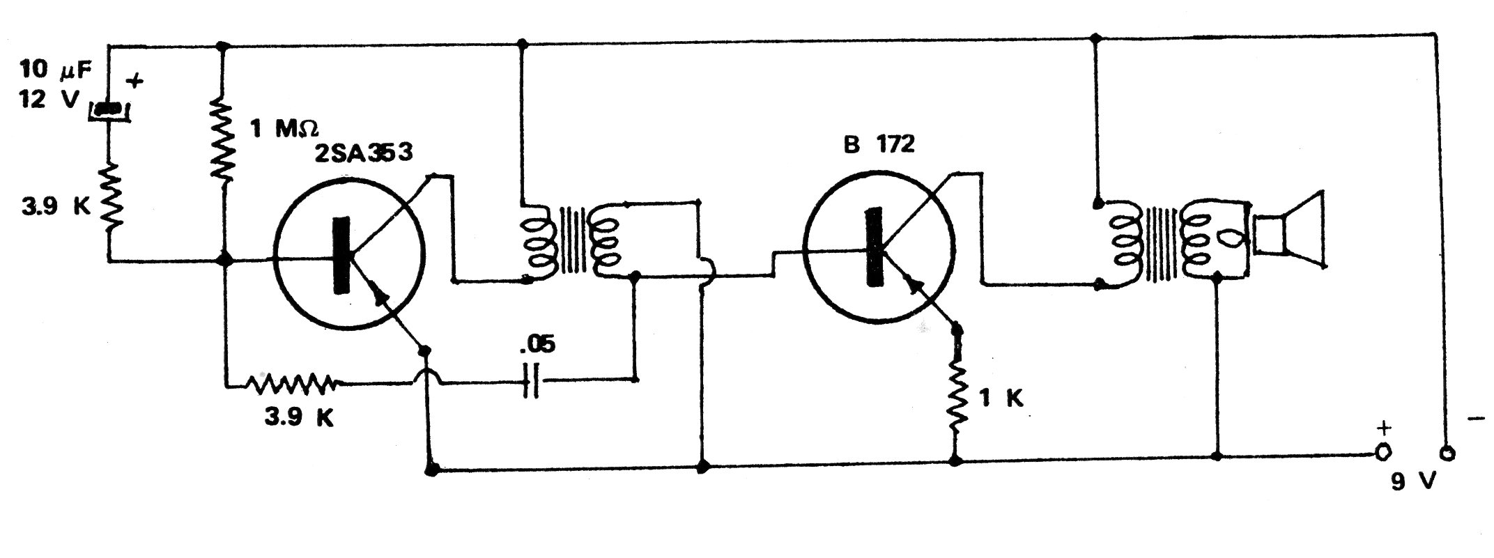
Los componentes críticos de este proyecto de una publicación de 1978 son los transformadores, que se pueden obtener de radios y amplificadores transistorizados de la época. Los transistores pueden ser tipos más modernos como los BC558. El efecto puede ser ajustado por la elección apropiada del capacitor y del resistor en serie en la base del primer transistor. La alimentación se puede realizar con 6 o 9 V.




