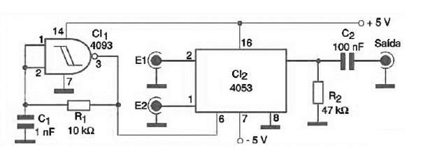
Este mezclador digital utiliza circuitos integrados CMOS. El circuito fue publicado por nosotros en una revista con la que colaboramos. Las señales deben ser de baja intensidad (mV) de una fuente, como un micrófono, captador o preamplificador. Los cables de entrada y de salida deben ser blindados. Los cambios en C1 se deben hacer si hay ruidos del circuito del conmutador. Tenga en cuenta que la fuente de alimentación debe ser simétrica. La fuente debe tener una excelente filtración. Dos unidades similares se deben utilizar en una versión estéreo y la fuente puede ser única. Además, dos unidades se pueden conectar en paralelo a un mezclador de 4 canales.




