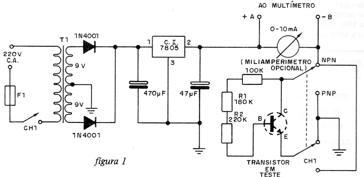
Con este simple probador se puede medir la ganancia de un transistor NPN o PNP. El instrumento puede ser un miliamperímetro de 10 mA de fondo de escala o la escala de corriente correspondiente de un multímetro común. El circuito incluye una fuente regulada, pero también puede ser alimentado por pilas.




