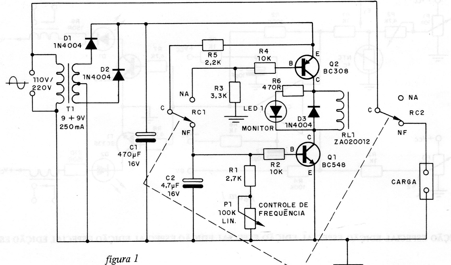
Este efecto de luz trémula utiliza relés que se encontró en una publicación de 1986. El circuito sólo sirve para lámparas incandescentes y tiene como inconveniente la reducción de la vida útil de los contactos del relé. La velocidad del efecto se ajusta en P1.




