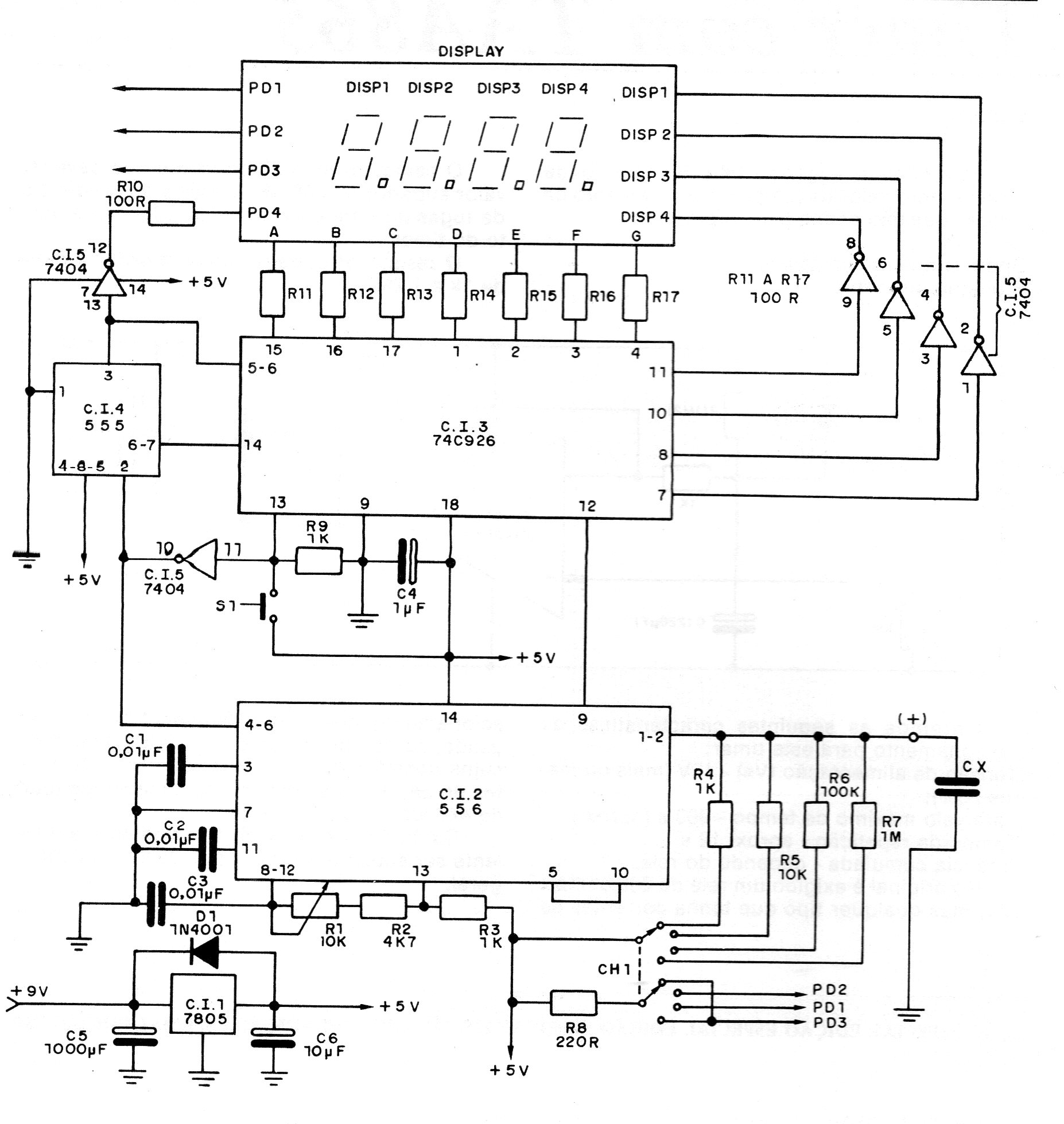
Este circuito fue encontrado en una documentación de 1986 pudiendo haber cierta dificultad para la obtención de algunos de sus componentes. El circuito es TTL debiendo ser alimentado con 5 V. La calibración de las diversas escalas debe ser hecha en R1 y la precisión depende de las resistencias usadas.




