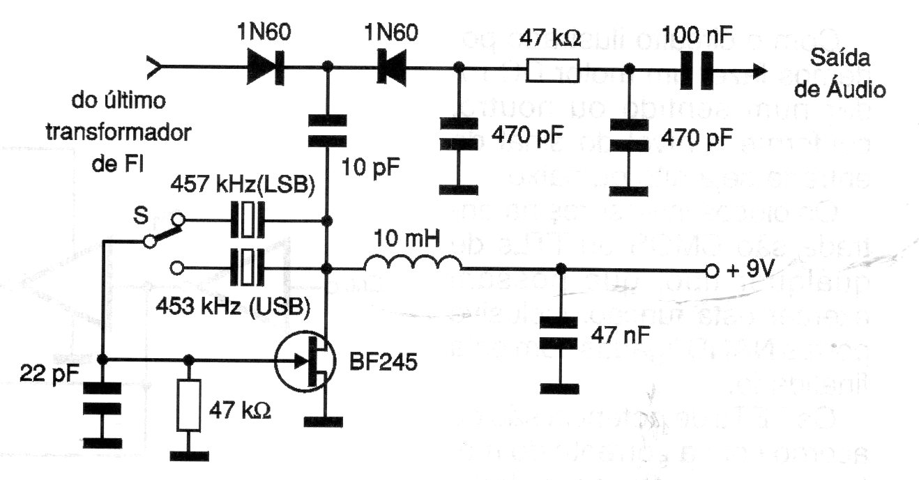
La finalidad de este circuito de una documentación de 2000 es decodificar señales de SSB (BLU) para que sean audibles en receptores de comunicaciones que no posean este recurso. El circuito es para FIs de 455 kHz, siendo en su función escogidos los cristales.




