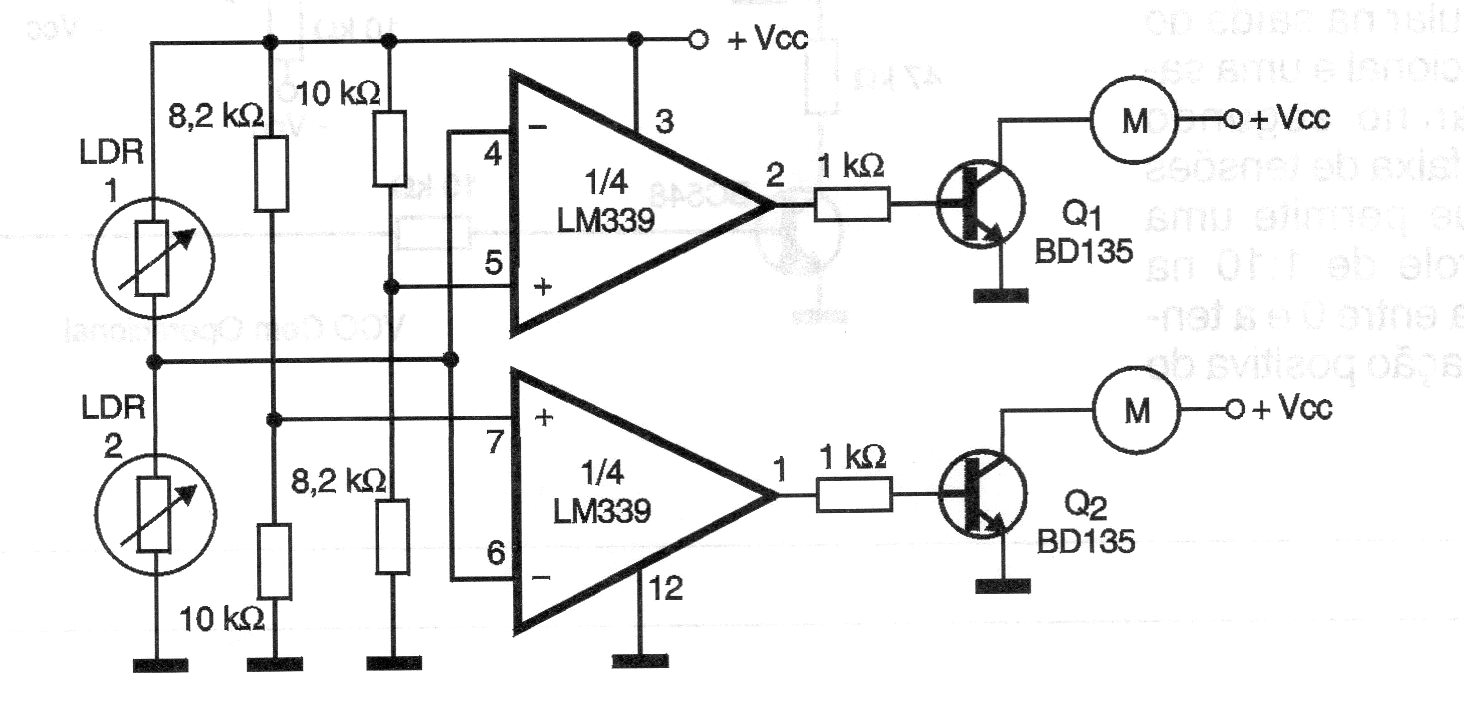
Este circuito, encontrado en una documentación de 2000, se utiliza en proyectos simples de inteligencia artificial y robótica. En el caso, usando como sensores LDRs se puede implementar un robot que sigue la luz o una línea clara. El circuito se puede encontrar también en diversos proyectos prácticos en este sitio. Esta versión es para motores de hasta 500 mA.




