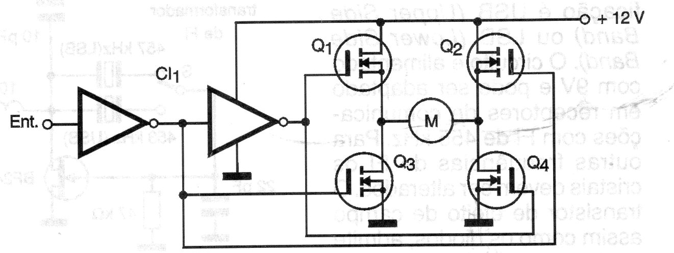
Este circuito de shield para puente H aparece varias veces en aplicaciones en esta sección y en este sitio. En el caso, los inversores pueden ser TTL o CMOS y los MOSFET de cualquier tipo según la potencia del motor que debe ser controlado.
La lámpara de prueba o lámpara de serie es un instrumento ultra-simple, pero de gran utilidad en la...
Este probador de continuidad artesanal tiene una finalidad didáctica, pudiendo ser utilizado como tema...
La impedancia de entrada muy alta de un FET tipo MOS permite que incluso las cargas estáticas más...