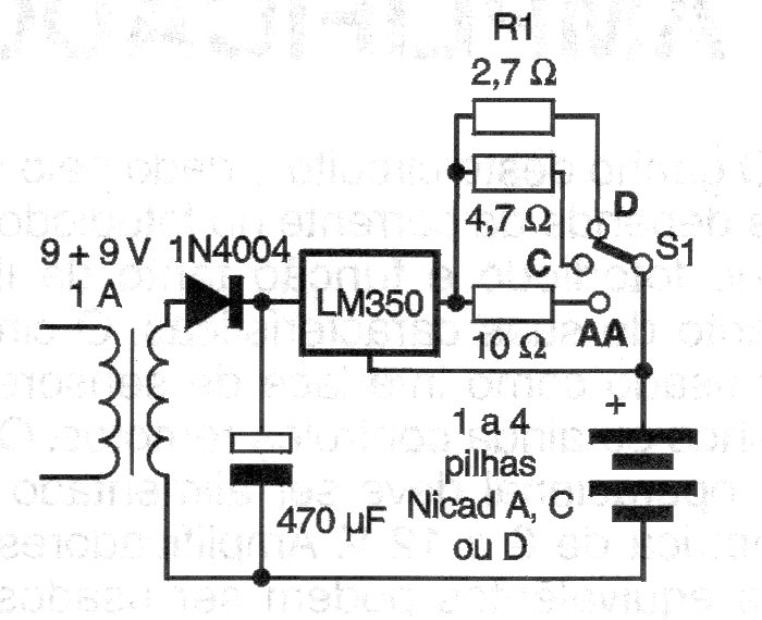
Este simple cargador de pilas o baterías de nicad utiliza un regulador de corriente con el LM350. Este circuito integrado debe montarse en un disipador de calor. Los resistores determinan la corriente de carga y los transformadores de 7,5 V también se pueden utilizar.




