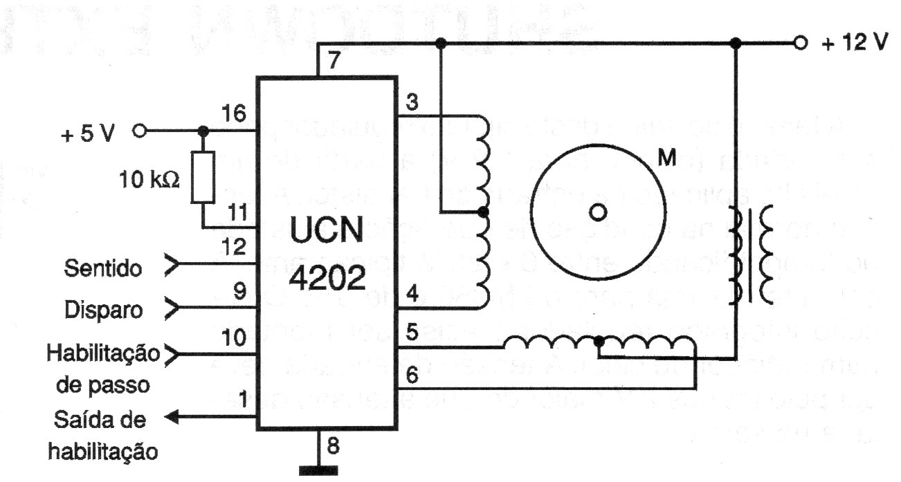
Esta es la aplicación convencional del UCN4202 en el control de un motor de paso de 12 V con corriente hasta 500 mA. El circuito tiene entrada compatible con TTL y CMOS que se encuentra en otros artículos y aplicaciones de este sitio.
Un solo circuito integrado es la base de este oscilador que puede proporcionar una potente señal de...
El circuito que veremos a continuación utiliza un elemento de la familia de los semiconductores que aún no es...
El sonido producido por esta sirena varía de frecuencia a un ritmo que puede ajustarse. El...