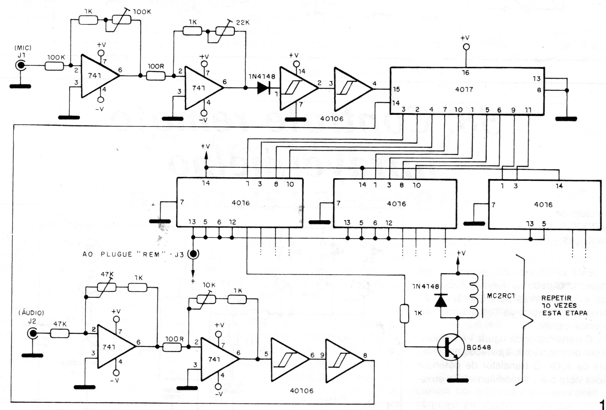
Si el lector tiene un antiguo MSX todavía funcionando puede utilizar como un microcontrolador para sus proyectos de robótica. El circuito dado a continuación consiste en una interfaz o escudo para este propósito, pudiendo ser usado para controlar dispositivos externos a partir de la salida de audio que es el único dispositivo en este ordenador. La fuente simétrica se da en el CIR6457S. El programa en Basic es:





