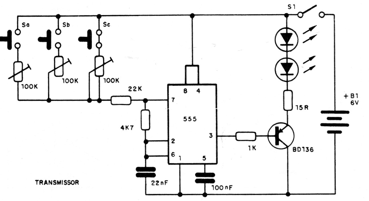
Este transmisor para control remoto infrarrojo modulado fue encontrado en una documentación de los años 90. La frecuencia de cada canal se ajusta en trimpots. El número de canales puede cambiar y se pueden utilizar los recursos ópticos para los LED. La alimentación se realiza por pilas. El receptor es el CIR6459S.




