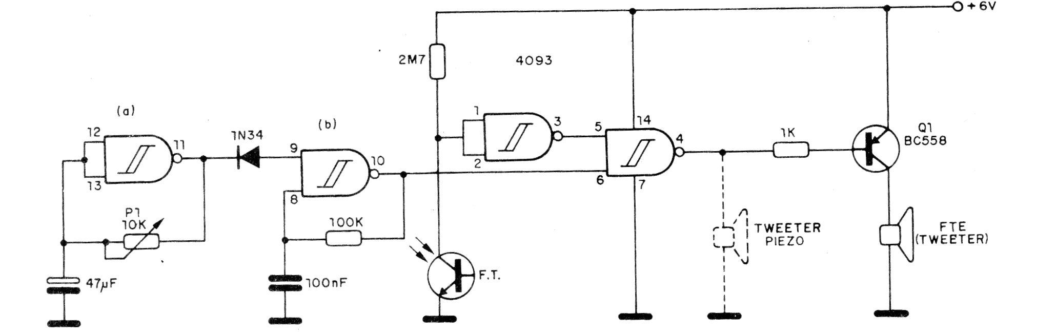
Este simple circuito de alarma de luz se basa en el conocido circuito integrado 4093 que puede ser alimentado por tensiones de 3 a 12 V sin problemas. Para tensiones mayores (por encima de 9 V) conviene utilizar el BD136 en la salida. El circuito tiene la frecuencia de funcionamiento ajustada en P1 (parpadeante).




