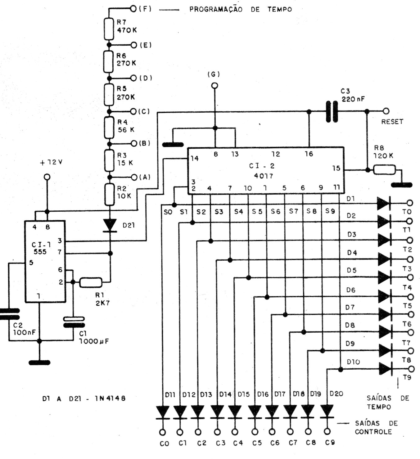
Este circuito produce salidas secuenciales para el accionamiento de diversos electrodomésticos en una residencia, simulando así la presencia de personas. La elección de los circuitos accionados que dependen de los protectores se realiza por las salidas y los ciclos de accionamiento se determinan mediante la selección de resistores en el circuito oscilador con el 555. Es una solución simple que no requiere el uso de microcontroladores que se ha encontrado en una documentación de los años 90.




