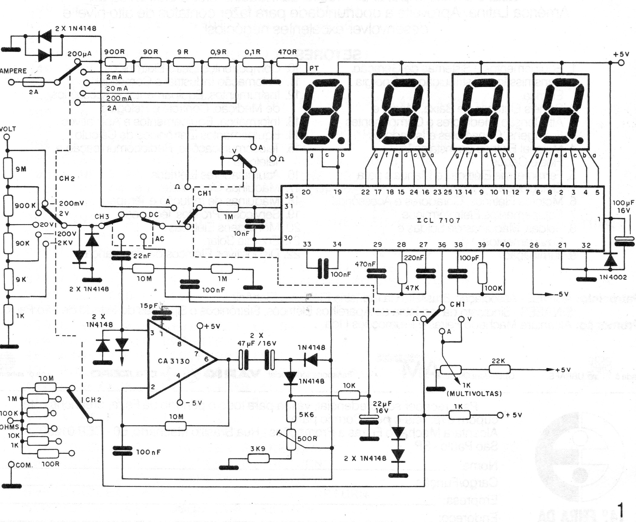
Este circuito se basa en el conocido módulo digital ICL7107 alimentando 4 displays con indicación de 3 y medio dígitos. La precisión depende de la tolerancia de los componentes usados, principalmente resistores en las redes de entrada. El circuito es de una documentación de 1989 y requiere una alimentación simétrica de 5 V.




