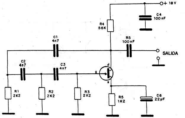
La frecuencia de operación de este oscilador está alrededor de 1 kHz, dependiendo de la tolerancia de los componentes usados. El consumo de corriente es de aproximadamente 0,2 mA y la amplitud de la serial de salida se sima alrededor de 9V (ms). El transistor usado puede ser BF245 o MPF102. La alimentación se hace con tensión de 18V.




