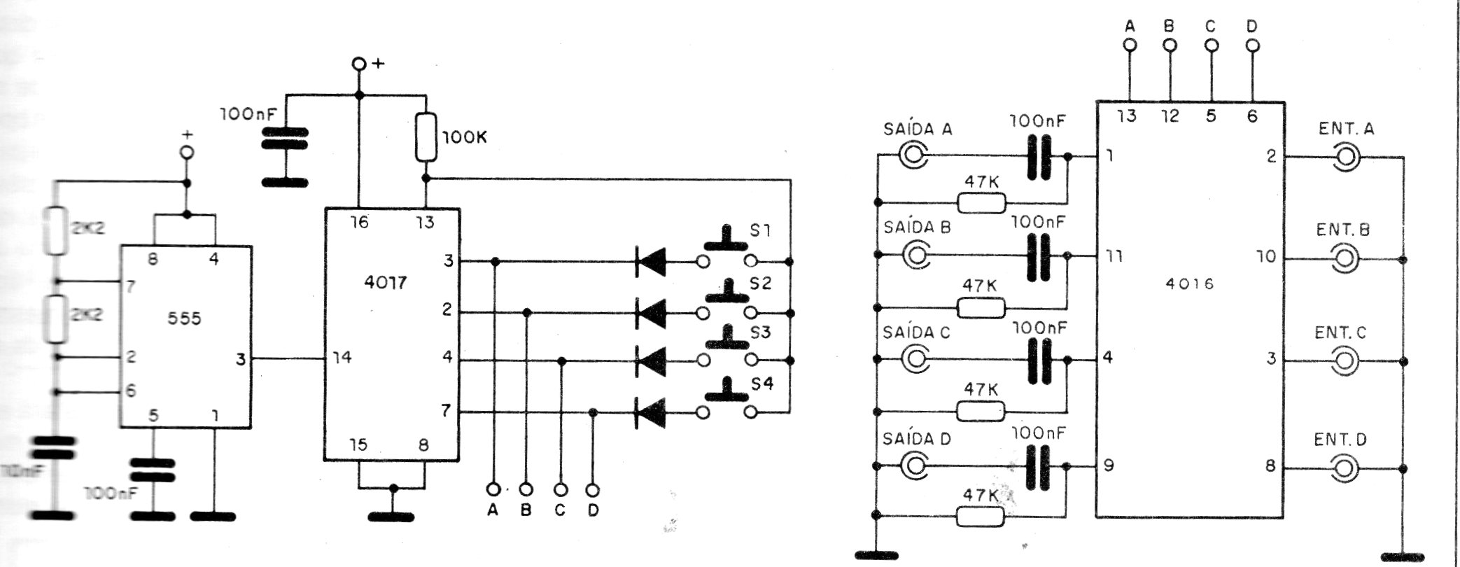
La finalidad de este circuito encontrado en una antigua documentación de los años 90 es marcar señales de audio de pequeña intensidad utilizando interruptores de presión. Los cables de señal deben ser blindados y la alimentación se puede hacer con tensiones de 5 a 12 V. Los pines de alimentación d 4016 no se indican en el diagrama.




