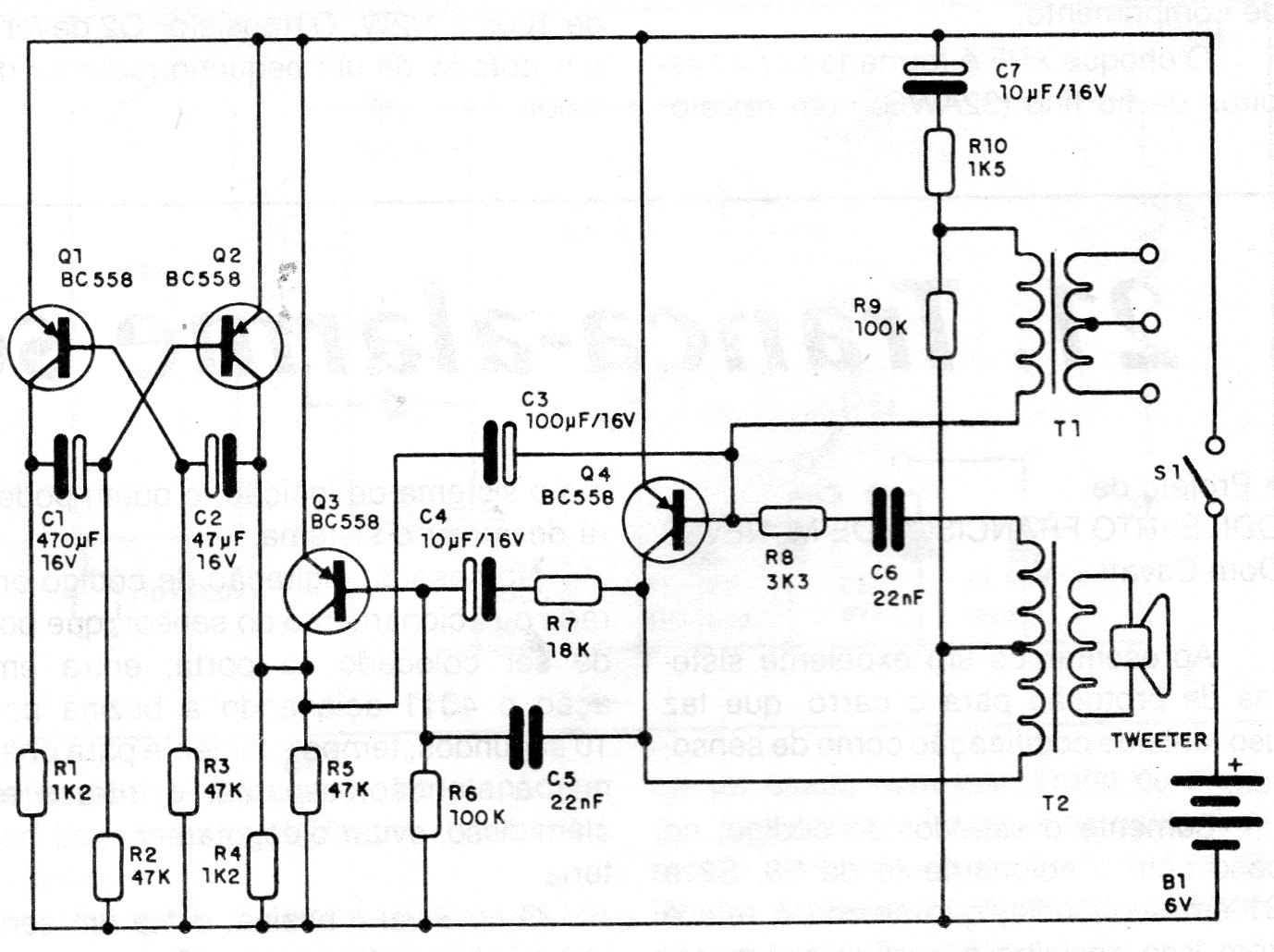
Este circuito imita el canto de un pajarito de modo intermitente con la intermitencia determinada por C1 y C2. Estos componentes se pueden cambiar en una amplia gama de valores. Los transformadores son del tipo encontrado en raditos transistorizados, salida y controlador, debiendo ser hechos experimentos para llegar a los mejores resultados.




