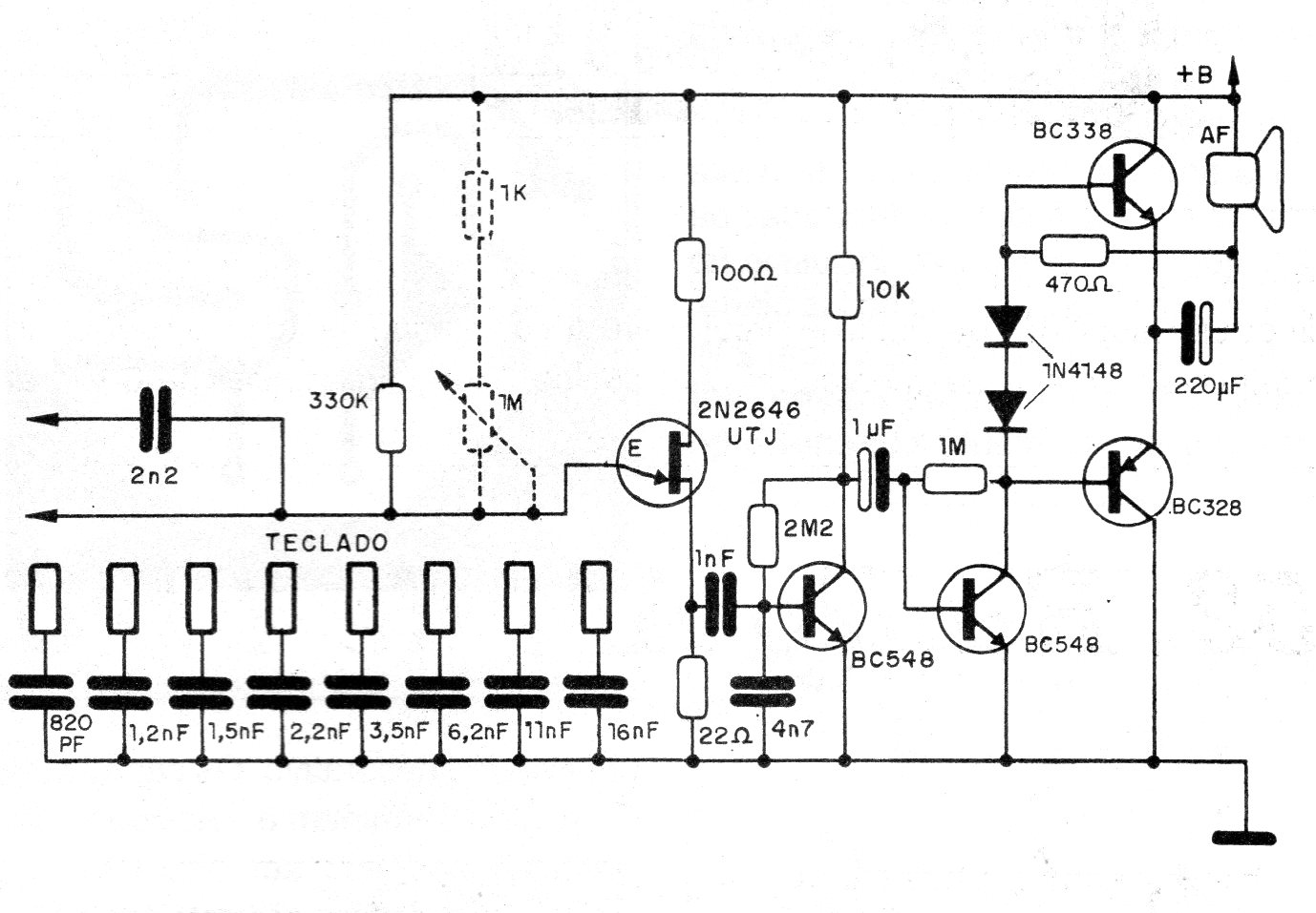
Este circuito de 1992 incluye un amplificador de audio. El oscilador se realiza sobre la base de un transistor unijuntura y cada tecla tiene un condensador que determina la frecuencia de la nota. La alimentación se realiza con una tensión de 6 a 12 V que, preferentemente debido al consumo debe ser hecha a partir de una pequeña fuente de alimentación.




