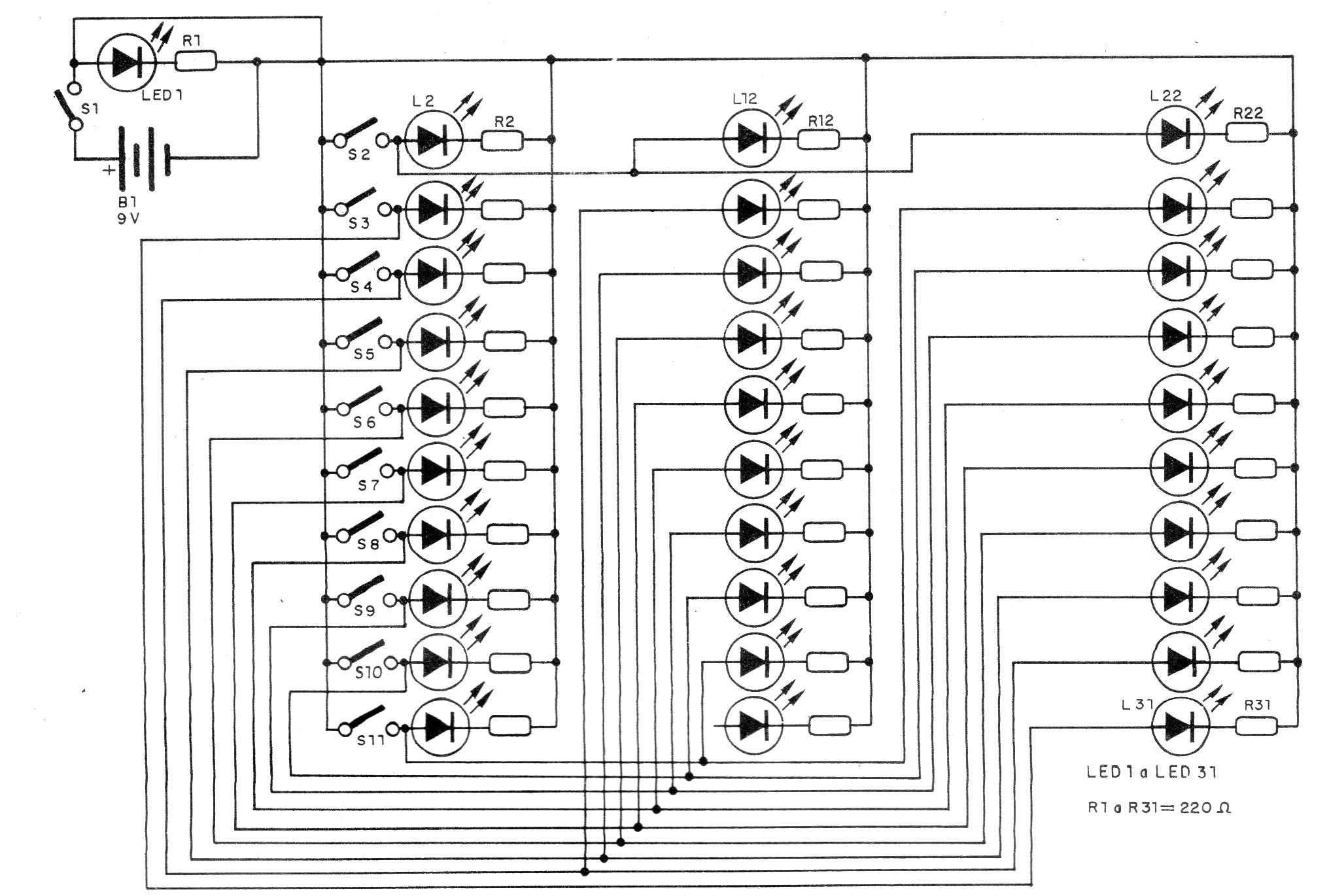
Este interesante circuito, que encontramos en una documentación de 1992, puede ser de gran valor para profesores de la enseñanza fundamental que necesitan enseñar la tabla del 9 para alumnos que tengan dificultades. El circuito utiliza LEDs y llaves de programación, siendo alimentado por pilas comunes. Se selecciona la clave para el valor a ser calculado y el resultado aparece en los LEDs encendidos.




