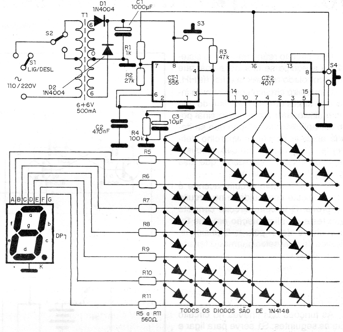
Este es uno de los muchos datos electrónicos que el lector puede encontrar en este sitio. Lo diferente es que genera el número sorteado de 1 a 6 en un display de siete segmentos de cátodo común. El circuito utiliza componentes aún comunes en el mercado y es alimentado por una pequeña fuente ya incluida en el proyecto.




