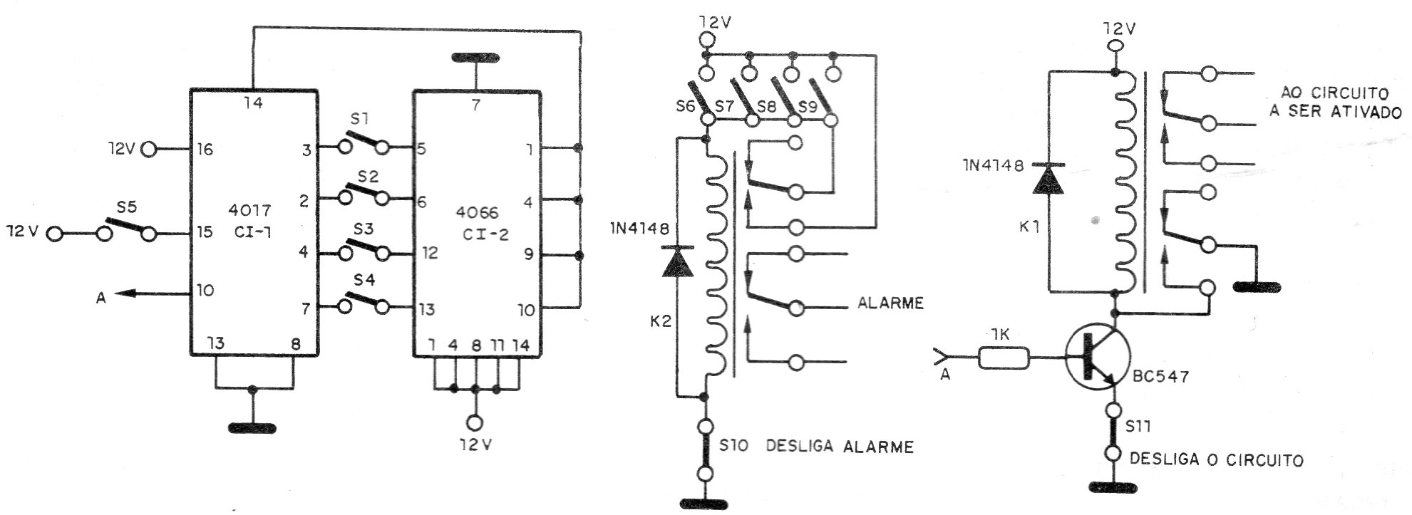
Encontramos este circuito en una publicación de 1992. El circuito habilita secuencialmente un conjunto de llaves de modo que al final pueda ser accionado un relé. La alimentación debe realizarse con tensiones según el relé utilizado. Si se activan otras llaves fuera de la secuencia, la alarma se dispara.




