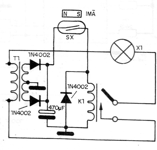
La idea básica de una documentación de 1992 es alertar sordos sobre eventos que puedan disparar reed-swtiches como la apertura de puertas, ventanas o la presencia de personas, haciendo que una lámpara sea encendida. El circuito hace uso de un relé de 6 o 12 V conforme la tensión del transformador utilizado.




