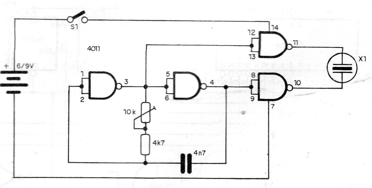
Esta es una de las muchas versiones de repelente usando sonidos que podemos elaborar sobre la base de osciladores. El circuito tiene su frecuencia ajustada por el trimpot y el transductor es una cápsula piezoeléctrica o incluso un pequeño auricular de cristal. La alimentación puede provenir de pilas o baterías.




