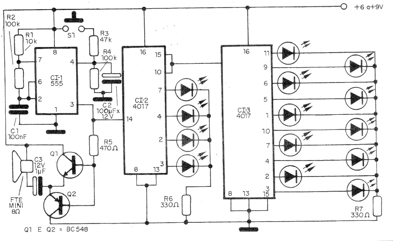
Este juego fue encontrado en una publicación de 1992. Se trata de un pequeño casino que tiene un sorteo 1 de 4 y una ruleta de 10 posiciones. Los dos combinados permiten obtener 40 combinaciones de juegos. El circuito es alimentado por pilas comunes o batería y los componentes usados todavía son comunes en nuestro mercado.




