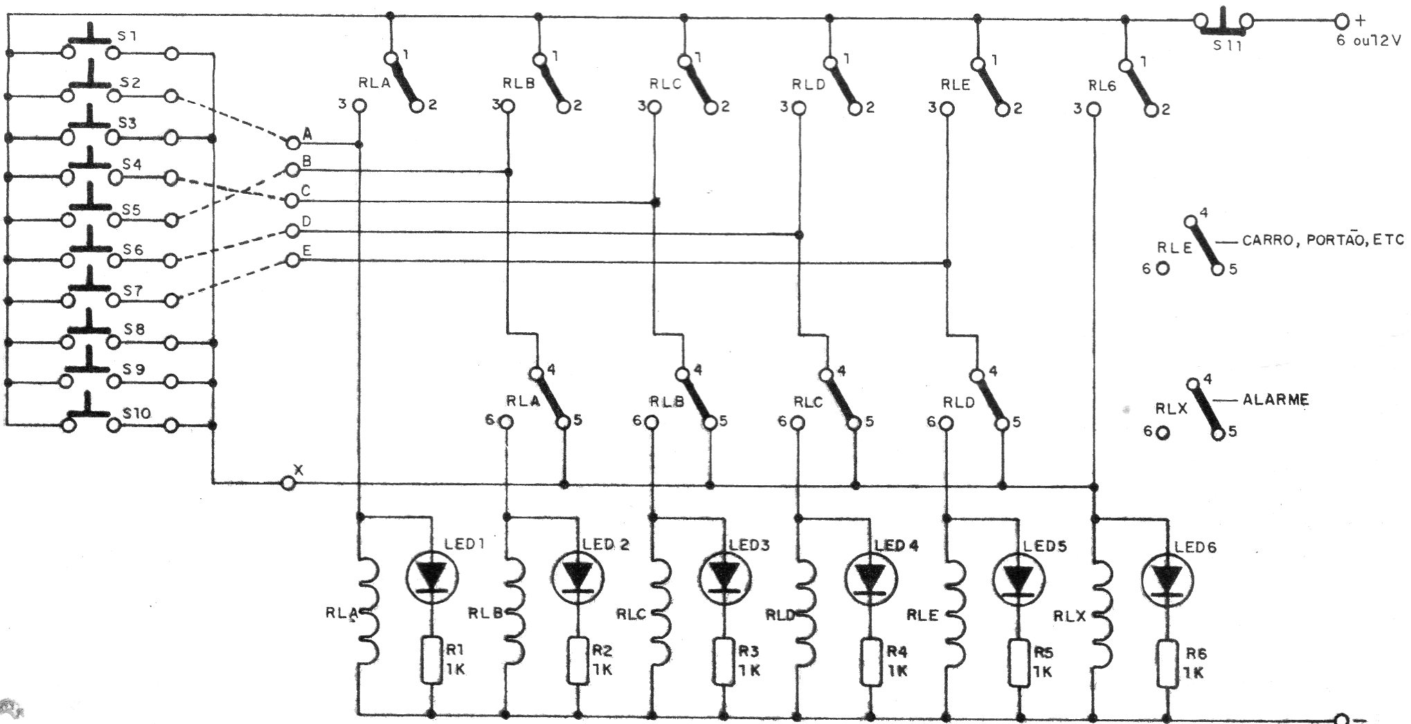
Este circuito, que se puede utilizar con seguridad, se obtuvo en una documentación de 1987. Se trata de un sistema de relés que pueden tener el accionamiento programado a través de llaves. Las tensiones de los relés dependen de la tensión de alimentación del circuito. La programación se realiza a través de puentes.




