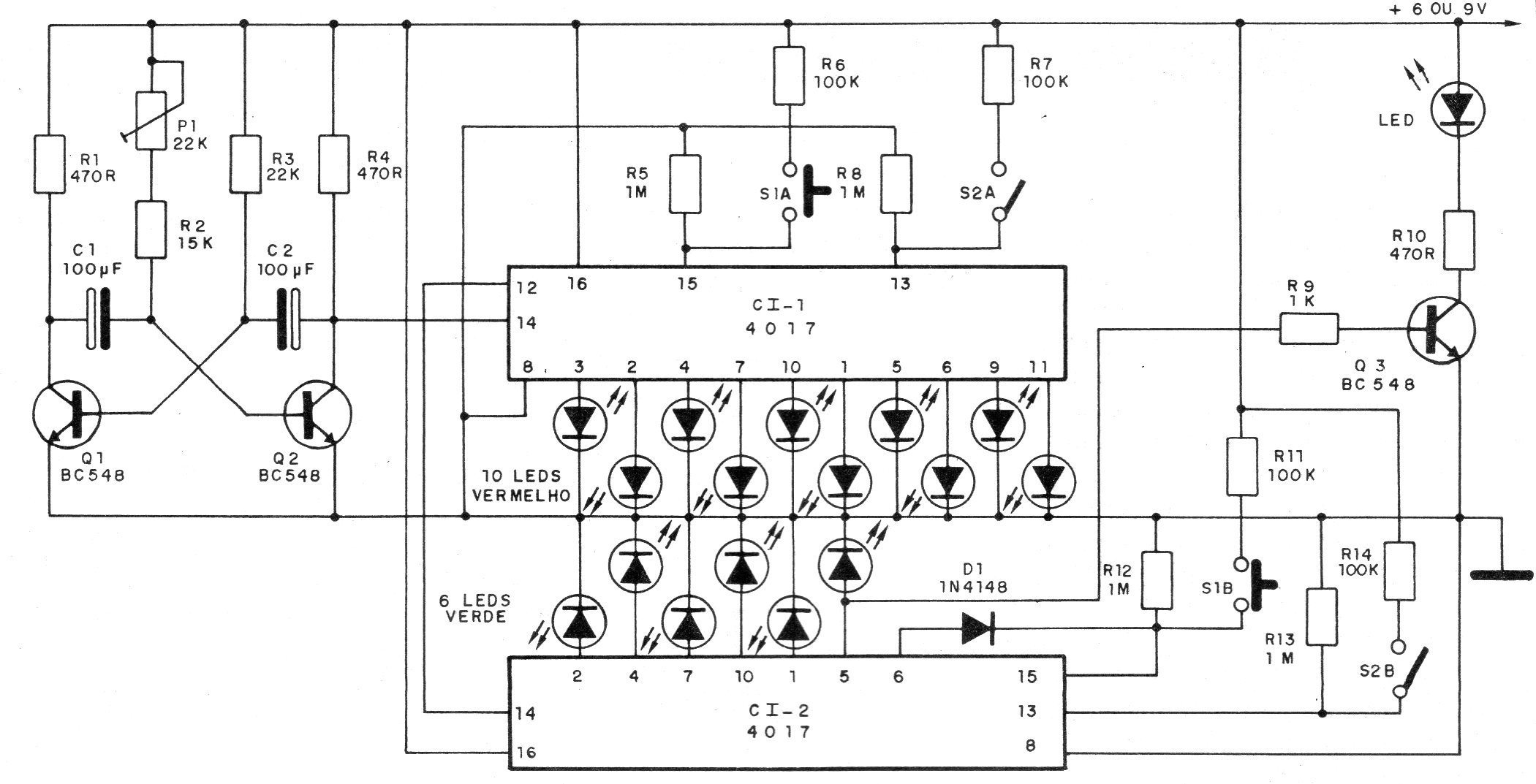
Este circuito fue encontrado en una publicación de 1987. Un 4017 hace el recuento secuencial de tiempo en pasos ajustados por el potenciómetro P1. Los pasos de conteo y la temporización dependen de los condensadores C1 y C2 pudiendo llegar a varios minutos. El circuito puede ser alimentado por tensiones de 6 a 9 V.




