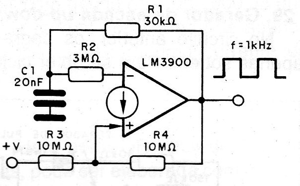
Para obtener señales rectangulares de 1 kHz podemos tener una configuración más simple, con un solo amplificador, como muestra la figura. En este circuito C1 se carga vía R1 y se descarga por este mismo resistor, conforme el operacional conmute en función de la tensión de referencia, establecida por los resistores R2, R3 y R4.




