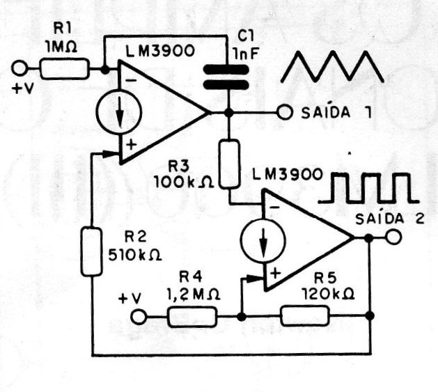
Para obtener señales triangulares tenemos el circuito de la figura que utiliza dos amplificadores. Uno de los amplificadores genera la señal rectangular y el otro lo integra, obteniéndose así la señal triangular deseada.

Para obtener señales triangulares tenemos el circuito de la figura que utiliza dos amplificadores. Uno de los amplificadores genera la señal rectangular y el otro lo integra, obteniéndose así la señal triangular deseada.
