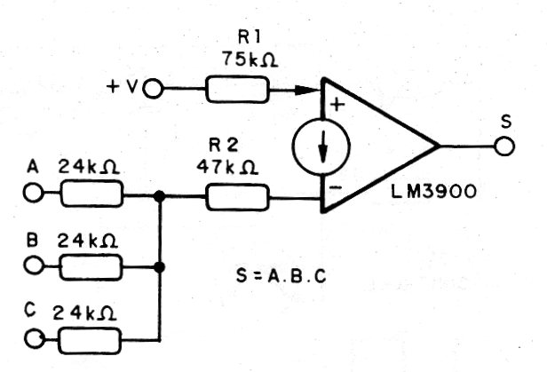
Para obtener una puerta AND (Y), tenemos la configuración mostrada en la figura. Con los valores indicados para los componentes, será necesario que todas las tres entradas estén en el nivel alto, para tener suficiente tensión para conmutar el circuito. Con más de tres entradas el circuito se vuelve crítico.




