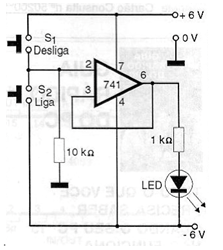
La configuración que mostramos es de un flip-flop que se puede disparar a través de dos interruptores de presión del tipo normalmente abierto. Uno de los interruptores enciende el LED estableciendo el flip-flop mientras que el otro apaga el LED restableciendo el circuito. Se trata, pues, de un flip-flop del tipo R-S. Este circuito debe ser alimentado por una fuente de alimentación simétrica a partir de 6 volts como se muestra en la figura. Evidentemente, en lugar del LED podemos utilizar un paso transistorizado con un relé como carga para poder manejar cargas mayores. Un driver con el transistor BC548 o equivalente se puede utilizar para este propósito. El circuito se puede modificar para operar como shield.




