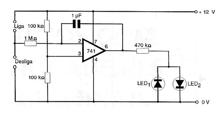
Este circuito se basa en la configuración biestable pero con la diferencia que los valores de los componentes se cambian para permitir el disparo a partir del toque de los dedos en dos sensores. Se utilizan dos LEDs en oposición si el circuito se presenta con fines didácticos. Tocando en uno de los sensores uno de los LED se enciende y el otro se apaga. Con el toque en el otro sensor, el LED que estaba encendido apaga y el que estaba apagado se enciende. En la figura tenemos el diagrama completo de esta llave de toque. Observe que el uso de una red divisora con dos resistores para la tensión de referencia elimina la necesidad de una fuente simétrica. También podemos utilizar en este circuito una etapa de accionamiento para cargas de mayor potencia como, por ejemplo, un relé.




