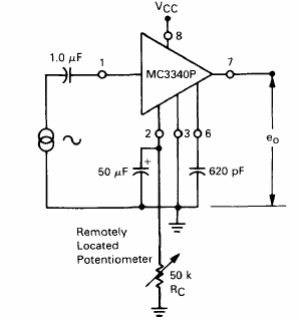
El componente usado, que no es muy común actualmente, es un atenuador electrónico. En esta aplicación del Linear Databook de Motorola de 1990 está conectado como un control remoto de volumen.

El componente usado, que no es muy común actualmente, es un atenuador electrónico. En esta aplicación del Linear Databook de Motorola de 1990 está conectado como un control remoto de volumen.
