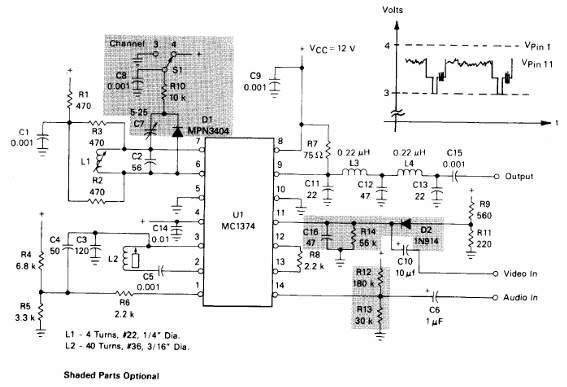
El circuito presentado es del Linear Databook de Motorola de 1990. Los componentes en sombreado son opcionales. Las características de las bobinas se dan junto al diagrama.

El circuito presentado es del Linear Databook de Motorola de 1990. Los componentes en sombreado son opcionales. Las características de las bobinas se dan junto al diagrama.
